Deckeneinbau-Lautsprecher für Sprachalarmierung, zertifiziert gemäß EN 54-24, geeignet für Sprachdurchsagen und Hintergrundmusik mit sehr guter Tonqualität in Gebäuden.
Der DL-SE 06-165/T-EN54 safe STR vereint EN 54-24 zertifizierte Sprachalarmierung mit einer integrierten optischen Signalisierung durch eine leistungsstarke LED-Blitzleuchte. Dadurch ermöglicht der Deckenlautsprecher eine besonders effiziente Kombination aus akustischer und visueller Alarmierung und fügt sich gleichzeitig dezent in unterschiedlichste Raumarchitekturen ein.
Der 6-Watt-Deckenlautsprecher mit 165-mm-Breitbandchassis sorgt für klare Sprachübertragung und zuverlässige Alarmierung. Ein integrierter 100-V-Transformator mit drei Leistungsabgriffen bietet hohe Flexibilität für verschiedene Beschallungskonzepte.
Die ultrakaltweiße 3-W-LED liefert mit 20.000 K Farbtemperatur und bis zu 200 Lumen eine extrem helle, weithin sichtbare Blitzsignalisierung. Durch den breiten 140°-Abstrahlwinkel wird eine gleichmäßige und sehr gut wahrnehmbare Ausleuchtung selbst unter anspruchsvollen Bedingungen erreicht. Die LED-Blitzleuchte arbeitet mit einer Betriebsspannung von 24 V DC.
Das pulverbeschichtete Metallgehäuse in RAL 9016 sowie der IP21C-Schutz gewährleisten langfristige Stabilität und Sicherheit. Eine 2-polige Keramikklemme, eine thermische Sicherung und die Feuchtigkeitsimprägnierung des Lautsprechers sorgen zudem für erhöhte Betriebssicherheit.
Dieser Lautsprecher ist für eine Deckenstärke von ca. 1-45 mm geeignet. Unsere Angabe bezieht sich in erster Linie auf Feststoff-Decken, bei weichen Deckenmaterialien sind evtl. höhere Deckenstärken notwendig. Mitunter führen auch stärkere Kabel und weitere Einbauten zu Veränderungen der maßgeblichen Rahmenbedingungen. Hinsichtlich der Vielzahl der Materialien und Hersteller empfehlen wir daher den Einbau eines Musters in das vorgesehene Deckenmaterial, um ein optimales Ergebnis zu erzielen.
| Artikel Nr.: | 20258667 |
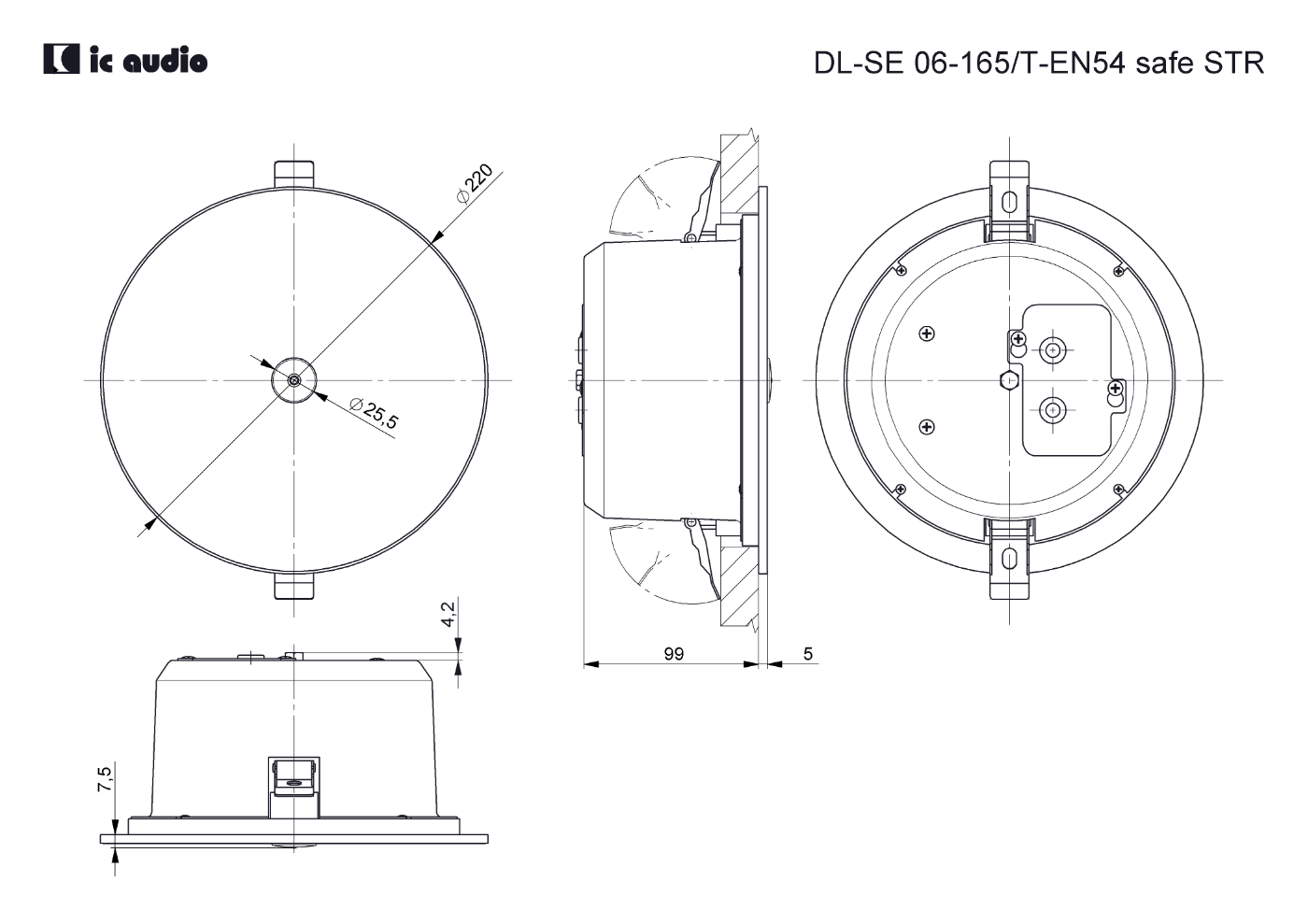
| Produkt | DL-SE 06-165/T-EN54 safe STR |
| Nennbelastbarkeit | 6/3/1,5 W |
| Impedanz (100V) | 1667/3333/6667 ohm |
| Chassis ø | 165 mm |
|
|
63 ~ 16000 Hz |
|
|
56 ~ 18000 Hz |
|
|
97,0 dB |
|
|
92,7 dB |
| Schalldruckpegel IEC268-5, 1W/1m | 92,0 dB |
| Schalldruckpegel EN54-24, Pmax/4m | 87,0 dB |
|
|
92,0 dB |
|
|
80,0 dB |
| Öffnungswinkel -6dB, 500Hz | h/v 180°/180° |
| Öffnungswinkel -6dB, 1KHz | h/v 175°/175° |
| Öffnungswinkel -6dB, 2KHz | h/v 150°/150° |
| Öffnungswinkel -6dB, 4KHz | h/v 90°/90° |
| Anschluss | 4-polige Keramikklemme |
| Maximale Kabeldurchführung | 8 mm² |
| Temperaturfestigkeit | -10 / +55 °C |
| Maße | 220x107 mm |
| Deckenausschnitt | 3,2 mm |
| Typ A/B | A |
| IP Schutzklasse | IP21 |
| Gewicht (netto) | 1,06 kg |
| Gehäuse | Metall |
| Farbe | RAL 9016 |
| Befestigung | Federschnappverschluss |
| Verpackungseinheit | 8 |
|
|
|
|
ic audio Lautsprecher sind gemäß der IEC Norm 60529 (Schutzarten durch Gehäuse) gegen das Eindringen von Fremdkörpern und Feuchtigkeit geprüft und klassifiziert. Die Klassifikation wird normgerecht durch einen festen Schlüssel gekennzeichnet. Dieser Schlüssel besteht aus den Buchstaben IP (International Protection) gefolgt von zwei Ziffern. Die erste Ziffer gibt den Schutzgrad gegen Staub an und die zweite Ziffer den Schutzgrad gegen Wasser. Bitte beachten Sie, dass die Prüfung der Produkte unter Laborbedingungen durchgeführt wurde und diese mitunter nicht mit den Bedingungen einer anderen Installationsumgebung 100%-ig vergleichbar sind. Dieser Schutz kann sich, abhängig von der Installationsumgebung, durch normale Abnutzung verringern. RoHS konform (2011/65/EU) Der angegebene IP-Schutzgrad, sowie der Temperaturbereich basieren jeweils auf ic audio Testergebnissen und nicht auf Testergebnissen von CNBOP-PIB, da im Rahmen der Zertifizierung nur die Mindestanforderungen für EN54-24 Konformität geprüft werden. |
|









